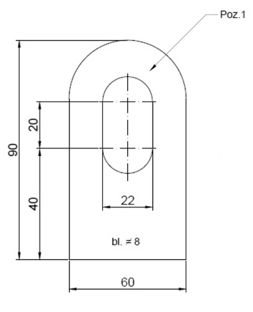
Łącznik L-90 do zawiasu M20
Dostawa gratis
do paczkommatu
dla zamówień powyżej 100 zł
dla zamówień powyżej 100 zł
Szybka wysyłka
zamów do godz. 14:00,
wyślemy tego samego dnia
wyślemy tego samego dnia
Bezpieczeństwo
30 dni na darmowy zwrot
Doświadczenie
na rynku od 2017 r.
Wsparcie
profesjonalne doradztwo
i pomoc
i pomoc
Szeroka oferta
ponad 1000 pozycji
w stałej sprzedaży
w stałej sprzedaży
Stalowy łącznik do zawiasu M20 o długości 90 mm.
- Wysoka wytrzymałość i odporność na uszkodzenia mechaniczne
- Możliwość regulacji zawiasu po zakończonym montażu
Łącznik jest przeznaczony do zawiasu regulowanego M18 lub M20, który jest przeznaczony do przykręcenia.
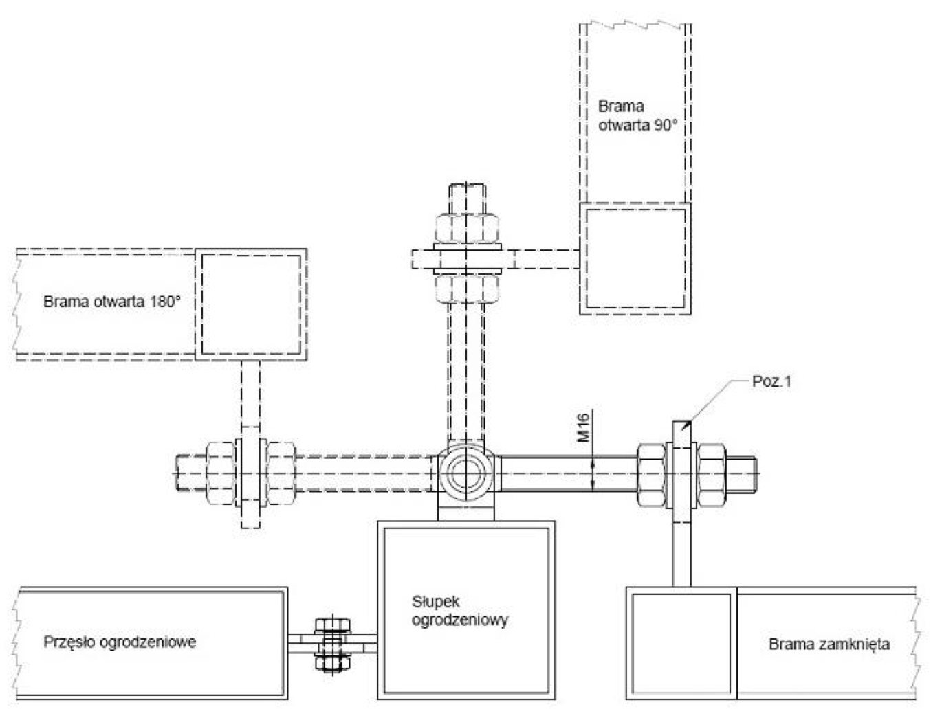
Polecamy zakup w zestawie z zawiasem, który po zamontowaniu umożliwia otwarcie bramy lub furtki pod kątem 180 stopni. Przykładowe zastosowanie można sprawdzić na rysunku numer 3 w galerii produktu.
Podmiot odpowiedzialny za ten produkt na terenie UE
FHU Izabela MazurWięcej
Adres:
Romera 2Kod pocztowy: 41-712Miasto: Ruda ŚląskaKraj: PolskaNumer telefonu: 507 722 412Adres email: mkpanel@interia.pl
Materiał wykonania
Stal
Długość elementu
90 mm
Zapytaj o produkt
Napisz swoją opinię






